- Contoh Soal Rangkaian listrik kompleks
Jawab:
Bila kita melihat resistor R1, R2, dan R3 sebagai suatu rangkaian Δ (pada rumus berturut-turut Rab, Rac, dan Rbc) dan ingin menggantinya dengan rangkaian Y, kita bisa mengubah rangkaian jembatan ini menjadi rangkaian yang lebih sederhana yaitu rangkaian seri-paralel:
Sekarang kita telah mendapatkan rangkaian yang lebih sederhana. Kita bisa menganalisa rangkaian ini menggunakan aturan seri-paralel:
Serikan rangkaian RB dan R4 serta rangkaian Rc dan R5
RS1 = RB + R4
= 2Ω + 3Ω = 5 Ω
RS2 = RC + R5
= 3Ω + 12Ω = 15 Ω
sehingga terbentuk rangkaian seperti ini:
Selanjutnya, hambatan RS1 dan RS2 di paralelkan
RS1// RS2 = RP =
Rp = = = 3 Ω
Dan terbentuk rangkaian seri seperti ini :
Dan rangkaian diatas dihitung secara seri menjadi RT
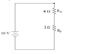
RT = RA + RP
= 6 + 3 = 9 Ω
Lalu, hitung I dengan menggunakan hukum Ohm
- Konsep Dasar
-
Penyelesaian :1.Jawaban :Pada saat sumber tegangan aktif/bekerja maka sumber arus tidak aktif (diganti dengantahanan dalamnya yaitu tak hingga atau rangkaian open circuit) :Pada saat sumber arus aktif/bekerja maka sumber tegangan tidak aktif (diganti dengantahanan dalamnya yaitu nol atau rangkaian short circuit) :
Jawaban :Pada saat sumber Vs = 17V aktif/bekerja maka sumber tegangan 6 V diganti dengantahanan dalamnnya yaitu nol atau rangkaian short circuit, dan sumber arus 2 A diganti dengan tahanan dalamnya yaitu tak hingga atau rangkaian open circuit :Pada saat sumber Vs = 6V aktif/bekerja maka sumber tegangan 17 V diganti dengantahanan dalamnnya yaitu nol atau rangkaian short circuit, dan sumber arus 2 A diganti dengan tahanan dalamnya yaitu tak hingga atau rangkaian open circuit :Pada saat sumber Is = 2A aktif/bekerja maka sumber tegangan 17 V diganti dengantahanan dalamnnya yaitu nol atau rangkaian short circuit, dan sumber tegangan 6 Vdiganti dengan tahanan dalamnya yaitu nol atau rangkaian short circuit :Contoh Konsep Dasar Nomor 2 - Dengan menggunakan teorema superposisi. Tentukan nilai arus yang mengalir dalam rangkaianjawab :langkah petama adalah aktifkan salah satu dari ketiga elemen aktifnya. aktifkan dulu elemen aktif yang pertama yaitu sumber tegangan yang 17 V, sedangkan sumber tegangan yang 6 V kita ganti dengan tahanan dalamnya / short circuit (bernilai 0), lalu sumber arusnya kita ganti dengan open circuit (sirkuit terbuka). Penjelasannya seperti yang terlihat pada gambar dibawah ini.Lalu aktifkan elemen aktif yang kedua yaitu sumber tegangan yang 12 V. Sumber tegangan yang 17 V kita ganti dengan tahanan dalamnya / short circuit (nilainya 0), lalu sumber arusnya kita ganti dengan open circuit / sirkuit terbuka. Penjelasannya seperti yang terlihat pada gambar dibawah ini.(Rangkaian Pararel Loop 1)Kenapa pararel, karena terdapat node atau titik percabangan.(Rangkaian Seri Masih di Loop 1)
Yang terakhir adalah kita aktifkan sumber arus yang 2A, sementara itu kita ganti kedua sumber tegangan dengan tahanan dalamnya / short circuit (nilainya 0). Penjelasannya seperti yang terlihat pada gambar dibawah ini.Setelah kita dapatkan arus dari masing-masing elemen aktifnya, tahap terakirnya adalah kita jumlahkan ketiga arus dari masing-masing elemen aktif yang tadi sudah kita hitung.sehinggai = i1 + i2 +3= 17/8 + 31/8 + 5/4= 24/8= 3 Amper3.Jawaban :Pada rangkaian ini terdapat sumber tak bebasnya, maka tetap dalam perhitungan dengan teorema superposisi membuat analisis untuk n buah keadaan sumber bebas, pada soal diatas terdapat dua buah sumber bebas, maka dengan superposisi terdapat dua buah keadaan yang harus dianalisis.Pada saat sumber Is = 8A aktif/bekerja maka sumber arus 4A diganti dengan tahanandalamnnya yaitu tak hingga atau rangkaian open circuit :Pada saat sumber Is = 4A aktif/bekerja maka sumber arus 8A diganti dengan tahanandalamnnya yaitu tak hingga atau rangkaian open circuit :- HUKUM OHM
Berdasarkan data pada tabel, nilai hambatan listrik adalah….. Apakah data pada tabel menggambarkan hukum Ohm ?
PembahasanR = V / I = 2 volt / 4 Ampere = 1/2 ΩR = V / I = 4 volt / 8 Ampere = 1/2 ΩR = V / I = 3 volt / 6 Ampere = 1/2 ΩR = V / I = 5 volt / 10 Ampere = 1/2 ΩMenurut hukum Ohm, V/I konstan. Jadi isi tabel di atas menjelaskan hukum Ohm.- Contoh Hukum Kirchoff 1
Pertanyaan: Berapakah I4?Jawab:Dari gambar rangkaian yang diberikan diatas, belum diketahui apakah arus I4 adalah arus masuk atau keluar. Oleh karena itu, kita perlu membuat asumsi awal, misalnya kita mengasumsikan arus pada I4 adalah arus keluar.Jadi arus yang masuk adalah :Arus yang keluar adalah :I1 + I4 = 5 + I43 = 5 + I4I4 = 3 – 5I4 = -2Karena nilai yang didapatkan adalah nilai negatif, ini berbeda dengan asumsi kita sebelumnya, berarti arus I4 yang sebenarnya adalah arus masuk.Contoh Hukum Kirchoff 2
Berakah arus yang melewati resistor R3 ?
Penyelesaian:
Terdapat 3 percabangan, 2 titik, dan 2 loop bebas (independent).
Gunakan Hukum Kirchhoff I (Hukum Arus Kirchhoff) untuk persamaan pada titik A dan titik B
-
Contoh Soal Komponan Aktif Dioda
Rangkaian penyearah setengah gelombang yang dibuat dari dioda silikon di berikan tegangan input sebesar 48V. diberikan tahanan beban (R) sebesar 10ohm, hitunglah nilai tegangan DCnya (VDC) dan arus DCnya (IDC) dan daya yang mengalir pada beban (R) outputnya.Penyelesaian :
Vmax = (Vin - 0,7) x 50% = (48 - 0,7) x 50% = 23,3V
Vrms = Vmax x 0,7071 = 23,3 x 0,7071 = 16,475V
persamaan lain untuk Vmax jika Vrms diketahui:
Vmax = Vrms x 1,414 = 16,475 x 1,414 = 23,3V
Vdc = Vrms x 0,45 = 16,475 x 0,45 = 7,4V
atau
Vdc = Vmax x 0,318 = 23,3 x 0,318 = 7,4V
Idc = Vdc/R = 7,4/10 = 0,74A
P = I x V = 0,74 x 7,4 = 5,476W
atau
P = I² x R = 0,74² x 10 = 5,476W- Contoh Soal Resistor
R1 = 4 Ω, R2 = 2 Ω, V = 12 Volt. Tentukan (a) Nilai resistor pengganti (b) Arus listrik yang mengalir pada rangkaian (c) Arus listrik yang melewati resistor R2
Pembahasan
(a) Resistor pengganti
R = R1 + R2 = 4 + 2 = 6 Ω.
(b) Arus listrik
I = V / R = 12 volt / 6 Ω = 2 volt/Ω = 2 Ampere
(c) Arus listrik yang melewati resistor R2
Menurut hukum I Kirchhoff, tidak ada titik cabang sehingga arus listrik yang melewati R1 = arus listrik yang melewati R2 = arus listrik yang melewati rangkaian = 2 Ampere.
- Contoh Soal Konduktor
- Berdasarkan Seri Induktor yang diketahui bahwa memiliki nilai Induktor :
L1 = 100nH
L2 = 470nH
L3 = 30nH
Ltotal= ?
Penyelesaiannya
Ltotal = L1 + L2 + L3
Ltotal = 100nH + 470nH + 30nH
Ltotal = 600nH
- Contoh Soal Induktor
L = (L1 x L2) / (L1+ L2)
L = (20mH x 20mH) / (20mH + 20mH)
L = 400mH / 40mH
L = 5mH





























